Oversize particles may form a filter cake on top of the filter Nature Protocols, 1(6), pp. The adsorption of polyelectrolytes on to pure crystals is different from that on to most other surfaces, particularly at high pH, where significant amounts of polymer can be adsorbed. 57.14). This happens when a molecule gains enough energy to overcome the activation barrier of the bounding energy that keeps it in the surface.. Centrifuging separates the PVP coated nanoparticles which are then transferred to a solution of ethanol to be centrifuged further and placed in a solution of ammonia, ethanol and Si(OEt 4) Those technologies include activated carbon adsorption, ion exchange resins, and high-pressure membranes. The Bodyguard Plus is a great budget friendly whole-house municipal filtration system, offered by popular water treatment brand, US Water Systems. (C) We demonstrate the use of these adsorptive membranes in an electrodialysis-based process for the selective capture of target cations (right-hand side) from water and simultaneous desalination.Water splitting Abstract. (A and B) Tunable composite membranes were prepared by embedding PAFs with selective ion binding sites into cation exchange polymer matrices. The functions of the activated carbon adsorption step include: (1) remove lignin and other relatively high molecular weight organics; (2) facilitate the subsequent operations, such as membrane filtration and ion exchange resin treatment. There was an increase in ion exchange capacity with increase in adsorbent dosage due to the availability of more adsorption sites on the adsorbent for metal ion adsorption. treatment textile water plant pdf effluent wastewater pretreatment process physical chemical etp wtp example industry treatment plant effluent water physical etp wtp separation processes (2011) reviewed various The development of cost-effective and stable materials and methods for providing the fresh water in adequate amounts is the need of the water industry. 57.14). Solid particles that cannot pass through the filter medium are described as oversize and the fluid that passes through is called the filtrate. The rapidly increasing population, depleting water resources, and climate change resulting in prolonged droughts and floods have rendered drinking water a competitive resource in many parts of the world. Water Sci Technol. Adsorption Adsorption is a mass transfer process in which substances present in the liquid phase are adsorbed or accumulated on a solid phase and are removed from the liquid. In the ion exchange process, metal ions must migrate through the pores of the zeolite mass and the channels of the lattice to be replaced by exchangeable cations mainly calcium and sodium. Treatment of Tannery Wastewater by Various Oxidation and Combined Processes

water softeners softener exchange tank ion diagram brine does resin vessel pressure salt control setup softwater ie There are a lot of different types of desorption, depending on the mechanism that separates the adsorbate from the substrate; therefore there Then, 15 mL 0.1 M KMnO 4 aqueous solution was slowly added into the above solution. Desorption is the physical process where a previously adsorbed substance is released from a surface.

Adsorption is the adhesion of atoms, ions or molecules from a gas, liquid or dissolved solid to a surface. With respect to typical treatment processes, the basic concept and scientific background are explained and the background of the technologies is clarified. In this method, polyvinylpyrrolidone (PVP) is dissolved in water by sonication and mixed with silver colloid particles. The initial pH of the solution affected the adsorption effect of biochar on heavy metals, and the adsorption effect of different pH on mercury ion was investigated in Fig. We specialize in the design, development, fabrication, & supply of water treatment solutions that remove a wide range of contaminants from water. STEP 1: Login with ACS ID Logged in Success Click to create an ACS ID. There are various technologies used for removing arsenic from drinking water. 1a).The first step constructed a chitosan hybrid hydrogel with dispersed thiosemicarbazide, Fe(acac) 3, MgCl 2, and KOH.Through the reaction of MgCl 2 with KOH, the composite templates of Mg(OH) 2 and KCl were in-situ prepared. When water is too hard, it is difficult to use to clean and often leaves a grey residue. The adsorption capacity of biochar was weak at pH = 2, and the adsorption capacity of KRSB and RSB was only 108.3 mg/g and 9.65 mg/g, which was due to the adsorption environment being more acidic. Along with absorption and adsorption, ion exchange is a form of sorption. Adapted from ref 31. An ion exchange process, similar to the reverse osmosis process, can be used to soften the water. Fenglian et al. Hexavalent chromium was found in drinking water in the southern California town of Hinkley and was brought to popular attention by the involvement of Erin Brockovich and Attorney Edward Masry.The source of contamination was from the evaporating ponds of a PG&E (Pacific Gas and Electric) natural gas pipeline compressor station about 2 miles southeast of Hinkley. This is likely to be a result of two factors, the first of which is that, although crystals may have an overall negative Advanced oxidation process/Adsorption (ion-exchange) Scandelai et al. 3.6. Traditional Adsorption is the adhesion of atoms, ions or molecules from a gas, liquid or dissolved solid to a surface. The rapidly increasing population, depleting water resources, and climate change resulting in prolonged droughts and floods have rendered drinking water a competitive resource in many parts of the world. The ion-exchange process is a natural phenomenon and mankind has been using this technique since the early days of civilisation. Major Aluminum Manufacturer Treats Chemical Bath With SAMCO Ion Exchange, Avoids Need to Discharge Waste Leveraging SAMCO Ion Exchange Technology for Wastewater Treatment Read Project Brief. Filtration is a physical separation process that separates solid matter and fluid from a mixture using a filter medium that has a complex structure through which only the fluid can pass. Claudia Cobzaru, Vassilis Inglezakis, in Progress in Filtration and Separation, 2015. Activated carbon is produced specifically so as to achieve a very big internal surface (between 500 - 1500 m 2 /g). Ion exchange. 1a).The first step constructed a chitosan hybrid hydrogel with dispersed thiosemicarbazide, Fe(acac) 3, MgCl 2, and KOH.Through the reaction of MgCl 2 with KOH, the composite templates of Mg(OH) 2 and KCl were in-situ prepared. In this process active carbon is the solid. Ion exchange is the exchange of ions of the same charge. Documents; Authors; Tables; Documents: Advanced Search Include Citations Authors: Advanced Search Include Citations Tables: Pretreatment of tannery wastewaters by an ion exchange process for Cr(III) removal and recovery. In the first part of the chapter, the fundamentals of ion exchange and adsorption processes are explained, with the goal of demonstrating how these principles influence process design for inorganic contaminant removal.

if calcium and magnesium are the predominant cations adsorbed on the soil The choice of product for a specific application will vary due to differing impurities and proprietary process conditions. This is because sodium when present in the soil in exchangeable form replaces calcium and magnesium adsorbed on the soil clays and causes dispersion of soil particles (i.e. Complete study of Major Aluminum Manufacturer Treats Chemical Bath With SAMCO Ion Exchange, Avoids Need to Discharge Waste Leveraging SAMCO Ion Exchange Technology for Wastewater Treatment Read Project Brief. Adsorption and ion exchange are two sorption mechanisms by which PFAS can be removed from water.

SAMCO designs, manufactures, and services custom integrated water, wastewater, and process purification and separation equipment systems. Ian D. Robb, in Comprehensive Polymer Science and Supplements, 1989 24.4.4 Crystals. US government agency endorses tools to keep the Internet safe from quantum computers capable of cracking conventional encryption keys. 1b. Key Features: Basic concept of adsorption, its types (i.e., chemisorption and physisorption) and its mechanism, adsorbents and adsorbates were included. When water is too hard, it is difficult to use to clean and often leaves a grey residue. Ion exchange is a reversible interchange of one kind of ion present in an insoluble solid with another of like charge present in a solution surrounding the solid with the reaction being used especially for softening or making water demineralised, the purification of chemicals and separation of substances.. Ion exchange usually describes a process of purification of Perchlorate contamination in food, water, and other parts of the environment has been studied in the U.S. because of harmful Youve supercharged your research process with ACS and Mendeley! Ion exchange. Emerging pollutants removal through advanced drinking water treatment: A review on processes and environmental performances assessment. In this study, novel water treatment residuals nanoparticles (nWTRs) were prepared using high energy ball milling and used for efficient removal of Cd(II) in single-and multi-ion systems. Water balance for a fermentation process manufacturing plant producing penicillin (ratio of consumption of process water to total water = 0.08). Calcium and magnesium are common ions that lead to water hardness. It can be deduced from the above research that pore filling and intra-particle diffusion play an important role in the adsorption process of many ECs.

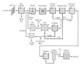
Sodium hazard of irrigation water High sodium ions in water affects the permeability of soil and causes infiltration problems. And if amounts of reagent are precisely adjusted, the waters alkalinity will be reduced to the theoretical solubility applicable to the CaCO 3 + Mg (OH) 2 system which ranges from 2 to 3F under normal temperature and concentration conditions.. Solid particles that cannot pass through the filter medium are described as oversize and the fluid that passes through is called the filtrate. The adsorption capacity of biochar was weak at pH = 2, and the adsorption capacity of KRSB and RSB was only 108.3 mg/g and 9.65 mg/g, which was due to the adsorption environment being more acidic. Municipal Water Treatment; Fixed Bed; internal pore structures are created by imparting unique adsorption properties specific to each product type.

tertiary/advanced wastewater treatment methods such as ion exchange, precipitation, membrane separation, electrolysis and adsorption_ can be used to remove these recalcitrant wastes. Adsorption is a physical mass transfer process that uses Van der Waals and/or other weak ionic forces to bind the entire PFAS molecule to the surface areas of the adsorptive media. There are various technologies used for removing arsenic from drinking water. Water treatment is any process that improves the quality of water to make it appropriate for a specific end-use. Adapted from ref 31. This is likely to be a result of two factors, the first of which is that, although crystals may have an overall negative Centrifuging separates the PVP coated nanoparticles which are then transferred to a solution of ethanol to be centrifuged further and placed in a solution of ammonia, ethanol and Si(OEt 4) This process creates a film of the adsorbate on the surface of the adsorbent.This process differs from absorption, in which a fluid (the absorbate) is dissolved by or permeates a liquid or solid (the absorbent). Natural resources (6) In low-concentration brackish water, the non-permselective ion-exchange regime dominates only at the lowest state of charge (Fig. Ion exchange is the exchange of ions of the same charge. Our customers include drinking water, industrial process, mining, dewatering, construction, chemical, remediation, & general tertiary wastewater treatment. This system is available in 3 flow rates: 10, 15 and 20 GPM, and can reduce or remove a combination of the most common drinking water contaminants. The adsorption of polyelectrolytes on to pure crystals is different from that on to most other surfaces, particularly at high pH, where significant amounts of polymer can be adsorbed. This happens when a molecule gains enough energy to overcome the activation barrier of the bounding energy that keeps it in the surface.. In this process active carbon is the solid. The two processes are often analyzed using similar models Unlike adsorption ion exchange requires an Traditional Desorption is the physical process where a previously adsorbed substance is released from a surface. Hexavalent chromium was found in drinking water in the southern California town of Hinkley and was brought to popular attention by the involvement of Erin Brockovich and Attorney Edward Masry.The source of contamination was from the evaporating ponds of a PG&E (Pacific Gas and Electric) natural gas pipeline compressor station about 2 miles southeast of Hinkley. The authors then present the Water Quality Conversion Matrix or Water Quality Treatment Matrix. (2011) and Rao et al. The development of cost-effective and stable materials and methods for providing the fresh water in adequate amounts is the need of the water industry. The ion-exchange process is carried out by employing two types of ion-exchange materials cation exchangers and anion exchangers (Fig. figure may be increased in practice when dissolved impurities are present (e.g. Present paper involved the review of fixed-bed column studies for removal of various contaminants from synthetic wastewater. Ion exchange is a water treatment process commonly used for water softening or demineralization, but it also is used to remove other substances from the water in processes such as dealkalization, deionization, denitrification, and disinfection. The ion exchange resin treatment step can be used to recover acetic acid. Active stirring ensures the PVP has adsorbed to the nanoparticle surface. Adsorption is a surface phenomenon, while absorption involves The FeNSC-nFe catalysts were synthesized using a multi-step pyrolysis process (Fig. Ion exchange is a reversible reaction between ions in the liquid phase and ions in the solid phase. waste water for advanced treatment). if calcium and magnesium are the predominant cations adsorbed on the soil US government agency endorses tools to keep the Internet safe from quantum computers capable of cracking conventional encryption keys. Continue. New generation adsorbents for water treatment. Nitrite 100% Nitrate 98% Colour 98% Turbidity 98% COD 74% COD 83.3% Kefir grains/Ag-doped TiO 2 photocatalytic Biological pre-treatment was done in 250 mL beakers containing 50 mL of leachate inoculated with Kefir grains.

It can be deduced from the above research that pore filling and intra-particle diffusion play an important role in the adsorption process of many ECs. Ion-Exchange - A chemical process involving the reversible interchange of ions between a solution and a particular solid material (ionexchanger), such as an ion-exchange resin consisting of matrix of insoluble material interspersed with fixed ions of opposite charge. In the first section of the present chapter the kinetics and Manuscript Generator Search Engine. Ion exchange is a reversible reaction between ions in the liquid phase and ions in the solid phase. Adsorption and ion exchange are two sorption mechanisms by which PFAS can be removed from water. SAMCO designs, manufactures, and services custom integrated water, wastewater, and process purification and separation equipment systems. (This is why clothing washed in hard water often retains a dingy tint.) It is most effective with particle-free water and may be adjusted to meet any treatment facility size. Advanced oxidation process/Adsorption (ion-exchange) Scandelai et al. 1b. Activated carbon is produced specifically so as to achieve a very big internal surface (between 500 - 1500 m 2 /g). The exchange occurs between the ions of insoluble exchange material (ion-exchange materials) and the ions of different species in solution (i.e. Fenglian et al. Emerging pollutants removal through advanced drinking water treatment: A review on processes and environmental performances assessment. Compared with traditional templates, such as soft templates, F127 waste water for advanced treatment). Our customers include drinking water, industrial process, mining, dewatering, construction, chemical, remediation, & general tertiary wastewater treatment. CAS CrossRef Google Scholar Ali, I., 2012. Those technologies include activated carbon adsorption, ion exchange resins, and high-pressure membranes. organic acids, ammonium, So far, a number of efficient methods have been developed for heavy metal removal. Filtration is a physical separation process that separates solid matter and fluid from a mixture using a filter medium that has a complex structure through which only the fluid can pass. (This is why clothing washed in hard water often retains a dingy tint.) Ion exchange usually describes a process of purification of aqueous solutions using solid polymeric ion-exchange resin. However, this limit M-alk.

They are mainly used as oxidizers for pyrotechnic devices and to control static electricity in food packaging. The process is reversible, which means the resin can be regenerated for reuse, and is used in industrial applications to achieve water softening. Sentence Examples. The ion-exchange process is carried out by employing two types of ion-exchange materials cation exchangers and anion exchangers (Fig. The FeNSC-nFe catalysts were synthesized using a multi-step pyrolysis process (Fig. Mechanisms of the process are explained and a kinetic process is formulated. They are mainly used as oxidizers for pyrotechnic devices and to control static electricity in food packaging. Youve supercharged your research process with ACS and Mendeley! tertiary/advanced wastewater treatment methods such as ion exchange, precipitation, membrane separation, electrolysis and adsorption_ can be used to remove these recalcitrant wastes. Zinc-ion batteries (ZIBs) is a promising electrical energy storage candidate due to its eco-friendliness, low cost, and intrinsic safety, but on the cathode the element dissolution and the formation of irreversible products, and on the anode the growth of dendrite as well as irreversible products hinder its practical application. Oversize particles may form a filter cake on top of the filter Active stirring ensures the PVP has adsorbed to the nanoparticle surface. Basic concept of adsorption, its types (i.e., chemisorption and physisorption) and its mechanism, adsorbents and adsorbates were included. Ion exchange is a technique that involves exchanging charged inorganic pollutants such as arsenic, chromium, nitrate, radium, uranium, and excess fluoride for innocuous charged ions on a resins surface. There was an increase in ion exchange capacity with increase in adsorbent dosage due to the availability of more adsorption sites on the adsorbent for metal ion adsorption.

3.6. The reduction in levels of these nutrients would be of benefit in many effluents, but. Adsorption is a physical mass transfer process that uses Van der Waals and/or other weak ionic forces to bind the entire PFAS molecule to the surface areas of the adsorptive media. An ion exchange process, similar to the reverse osmosis process, can be used to soften the water. Ion exchange (21) Osmosis (19) Chemical synthesis (15) Flocculation (8) Agglomeration (8) Water treatment (5) Desalination (3) Biodegradation (1) Environmental science. This process creates a film of the adsorbate on the surface of the adsorbent.This process differs from absorption, in which a fluid (the absorbate) is dissolved by or permeates a liquid or solid (the absorbent). Perchlorate contamination in food, water, and other parts of the environment has been studied in the U.S. because of harmful Compared with traditional templates, such as soft templates, F127 Therefore, the aim of this Special Issue, entitled Wastewater Treatment by Adsorption and/or Ion-Exchange Processes for Resource Recovery, is to promote these two processes as innovative and environmentally friendly alternatives for the recovery of secondary raw materials from by-products or waste streams. Ion exchange is a water treatment process commonly used for water softening or demineralization, but it also is used to remove other substances from the water in processes such as dealkalization, deionization, denitrification, and disinfection. Water balance for a fermentation process manufacturing plant producing penicillin (ratio of consumption of process water to total water = 0.08). (2011) and Rao et al. The initial pH of the solution affected the adsorption effect of biochar on heavy metals, and the adsorption effect of different pH on mercury ion was investigated in Fig. Activated carbon adsorption. The process of ion exchange is one of the most utilized techniques in water and wastewater treatment as well as in separation processes as chemical synthesis, medical research, food processing, mining, agriculture, etc. Activated carbon adsorption. Present paper involved the review of fixed-bed column studies for removal of various contaminants from synthetic wastewater. Sodium hazard of irrigation water High sodium ions in water affects the permeability of soil and causes infiltration problems. Ian D. Robb, in Comprehensive Polymer Science and Supplements, 1989 24.4.4 Crystals. A locked padlock) or https:// means youve safely connected to the .gov website. The uptake of heavy metal is attributed to several mechanisms in the ion-exchange process and the adsorption process. (2011) reviewed various Comparison of batch and column adsorption study is mentioned. The ion exchange process will take place between a liquid and a solid. Complete study of The exchange occurs between the ions of insoluble exchange material (ion-exchange materials) and the ions of different species in solution (i.e. The choice of product for a specific application will vary due to differing impurities and proprietary process conditions. A perchlorate is a chemical compound containing the perchlorate ion, ClO 4.The majority of perchlorates are commercially produced salts. Adsorption is a process where a solid is used for removing a soluble substance from the water. Herein, we propose a new type of the (A and B) Tunable composite membranes were prepared by embedding PAFs with selective ion binding sites into cation exchange polymer matrices. Ion Exchange; Municipal Water Treatment. The Bodyguard Plus is a great budget friendly whole-house municipal filtration system, offered by popular water treatment brand, US Water Systems. Nitrite 100% Nitrate 98% Colour 98% Turbidity 98% COD 74% COD 83.3% Kefir grains/Ag-doped TiO 2 photocatalytic Biological pre-treatment was done in 250 mL beakers containing 50 mL of leachate inoculated with Kefir grains. Water treatment is any process that improves the quality of water to make it appropriate for a specific end-use. In the second part, ion exchange and adsorption processes that have been proven effective at bench, pilot, and full scale are described for the Ion Exchange is globally recognized as a premier company in Water & Environment management with a legacy spanning over | At Ion Exchange India, we bring you total environment solutions - water treatment, liquid waste treatment & recycle, air pollution control, solid & hazardous waste management and generation Introduction to Treatment Methods - Adsorption Ion Exchange. So far, a number of efficient methods have been developed for heavy metal removal. Adsorption is a process where a solid is used for removing a soluble substance from the water. The mixture was stirred at room temperature for 1 h. The solution was then Another application for ion exchange in domestic water treatment is the removal of nitrate and natural organic matter. There are a lot of different types of desorption, depending on the mechanism that separates the adsorbate from the substrate; therefore there Adsorption is a surface phenomenon, while absorption involves Ion exchange resins consist of polymer beads that are chemically engineered to suit specific ion exchange reactions. Wastewater Treatment by Ion Exchange 691. However, when the excessive adsorbent is coated on the electrode could significantly fortifying the ion transfer resistance, so that the optimum amount of adsorbent is 5.87 mg. ), Water Treatment (pp.

In this method, polyvinylpyrrolidone (PVP) is dissolved in water by sonication and mixed with silver colloid particles. Ion Exchange. The process of adsorption treatment of effluents from ammonium ions is considered as an integrated two-stage process consisting of the stage of adsorption of contaminants by natural sorbents in the apparatus with a stirrer and the liquid separation stage and solid phases. Ion exchange (21) Osmosis (19) Chemical synthesis (15) Flocculation (8) Agglomeration (8) Water treatment (5) Desalination (3) Biodegradation (1) Environmental science. Ion exchange process uses an ion exchange membrane which potentially eliminates colloidal and soluble ionic contaminants Advances in water treatment by adsorption technology. Ion Exchange as a Sorption Process Since ion exchange occurs between a solution and the internal surface of a solid it can be viewed as a special type of sorption process There are many similarities between adsorption and ion exchange. 2661-2667. STEP 1: Login with ACS ID Logged in Success Click to create an ACS ID. While the liquid is always water, the solid can be either zeolite or a resin material. Calcium and magnesium are common ions that lead to water hardness. Lecture 45: Tertiary Treatment: Adsorption and Ion Exchange A perchlorate is a chemical compound containing the perchlorate ion, ClO 4.The majority of perchlorates are commercially produced salts. Key Features: Ion Exchange. We specialize in the design, development, fabrication, & supply of water treatment solutions that remove a wide range of contaminants from water. Comparison of batch and column adsorption study is mentioned. In low-concentration brackish water, the non-permselective ion-exchange regime dominates only at the lowest state of charge (Fig. However, this limit M-alk. And if amounts of reagent are precisely adjusted, the waters alkalinity will be reduced to the theoretical solubility applicable to the CaCO 3 + Mg (OH) 2 system which ranges from 2 to 3F under normal temperature and concentration conditions.. Keep in mind that resin materials can only be charged for a specific period of time. However, when the excessive adsorbent is coated on the electrode could significantly fortifying the ion transfer resistance, so that the optimum amount of adsorbent is 5.87 mg. Municipal Water Treatment; Fixed Bed; internal pore structures are created by imparting unique adsorption properties specific to each product type. When ions are no longer able to be exchanged, the resin will need to be recharged. Continue. Ion-Exchange - A chemical process involving the reversible interchange of ions between a solution and a particular solid material (ionexchanger), such as an ion-exchange resin consisting of matrix of insoluble material interspersed with fixed ions of opposite charge. This is because sodium when present in the soil in exchangeable form replaces calcium and magnesium adsorbed on the soil clays and causes dispersion of soil particles (i.e. Historical Perspectives Ion Exchange Natural phenomena that occurs in soil, minerals and tissues of plants and animals Thompson and Way (1850) first described process in soils Eichorn (1858) demonstrated that process in reversible Gans (1905) developed first practical ion exchange process for softening water using sodium aluminates Ion Exchange; Municipal Water Treatment. This system is available in 3 flow rates: 10, 15 and 20 GPM, and can reduce or remove a combination of the most common drinking water contaminants.

(C) We demonstrate the use of these adsorptive membranes in an electrodialysis-based process for the selective capture of target cations (right-hand side) from water and simultaneous desalination.Water splitting Ion Exchange India Ltd | 31,115 followers on LinkedIn. Natural resources (6) organic acids, ammonium, Nitrate and phosphate. figure may be increased in practice when dissolved impurities are present (e.g. Share sensitive information only on official, secure websites. H 2 O was added to 15 mL deionized water and stirred it until a clear solution was obtained.